Grip-Engineering

info@grip.de



Back

 

THS474-ISO6259-1
 

Testing tensile properties of

thermoplastics pipes

according to EN ISO6259−1

THS474-4-H5-R6-Am2510-TiN_2.15kg

THS474-4-H5-R6-Am2510-TiN

Special chuck grips
Max. load 30 kN
Special steel, hardened + TiN coating

THS474-9.5-H15-R12.7-Af159-1.3kg_2024-05-25

THS474-9.5-H15-R12.7-Af159

Special chuck grip

Open version

Max. load 5 kN

For samples 5-15 mm thick

Steel, nickel coated

Temperature range -40°C … +120°C

Coupling Af159

THS474-9.6x15-R12.7-Am1665_2.8kg_2024-03-30

THS474-9.6x15-R12.7-Am1665-T80

 

Special chuck grip to measure displacement in the end-tab of a JANNAF Class C tensile specimen.

Testing of propellant.

Max. sample thickness 12.7 mm

Max. load 1 kN

Steel, nickel coated

Temperature range -65°C … +80°C

Coupling Am16/6.5

THS474-10-H10-R25-S15-Am1665_2022-10-27

THS474-10-H10-R25-S15

Special chuck grips
according to
ISO1798-Type 1A
Max. load 5 kN
Steel, nickel coated

tn_THS474-10-H10-R25-Af159-ISO527-2-1A + THS327-Am158-M-Am317

 

 

 

 

THS474-10-H10-R25-Af159-ISO527-2-1A +
THS327-Am158-M-Am317

Special version for samples according to IS0527-2-1A
with universal joint adapter Am317

 

 

 

THS474-10-R60-Af159-IS0527-3-Fig.3
 

Special version for samples
according to IS0527-3-Fig.3

with pull rods for temperature chamber application

Coupling Af159

THS474-10.8x16-R12.6_THS474-10x15-R10_THS474-6x10-R6


THS474-10.8x16-R12.6
+
THS474-10x15-R10
+
THS474-6x10-R6

Special chuck grips
Max. load 5 kN
Steel, nickel coated
Coupling Am317

THS474-29-76-60-R12.5-DIN EN302-3
 

Testing of adhesives for load-bearing timber structures

according to DIN EN302-3

THS474-29x50-R13-Af159_ASTM-D149_Small_Clear_Specimens_of_Timber_6.90kg

THS474-29x50-R13-Af159-ASTM-D143

Special chuck grip for small clear timber specimens
according to ASTM-D143 Fig.34
Max. load 5 kN
Steel, nickel coated
Coupling Af159


THS474-127x30-10-Af159_ASTM-D143_Small_Clear_Specimens_of_Timber_6.30kg

THS474-127x30-10-Af159-ASTM-D143

Special chuck grip for small clear timber specimens
according to ASTM-D143 Fig.29
Max. load 5 kN
Steel, hardened, nickel coated
Coupling Af159


THS474-1x0.6-R03-K80-Af20-2L

THS474-1x0.6-R03-K80-Af20-2L

 

Special version for bone-shaped micro samples 0.6 mm thick, max. 0.8 mm wide

Max. load 1 kN

Steel, hardened, nickel-plated
Coupling Af20

With 2 pin holes

THS474-3x1-Af20-2L_0.30kg

THS474-3x1-Af20-2L

Special version for bone-shaped sample
1 mm thick, max.
3 mm wide
With 2 pin holes
Steel, hardened, nickel coated
Coupling Af20

THS474-3x1.6-R2.5-45-Af20-2L

THS474-3x1.6-R2.5-45-Af20-2L

 

Special version for bone-shaped sample 1.6 mm thick, max. 2.5 mm wide

Max. load 10 kN

Steel, hardened, nickel-plated
Coupling Af20

With 2 pin holes

THS474-3x3.7-A90-bscd-Af32124 1.03kg

THS474-3x3.7-A90-bscd-Af32124

Special version with a closed back side
for bone-shaped sample 3,7 mm thick, max. 2.5 mm wide
Coupling Af32/12.4

THS474-127x30-10-Af159_ASTM-D143_Small_Clear_Specimens_of_Timber_6.30kg

THS474-127x30-10-Af159-ASTM-D143


tn_THS474-130-4x40-Af159 GOST32842 P4.4 Bituminous mastics for automobile roads -40...+100°C

THS474-130-4x40-GOST32842

Tensile adhesion strength of mastics between concrete beams
for automobile road use
According to GOST32842 P4.4

Max. load 5 kN
-40 … +100°C     

Max. concrete carrier size:
160x40x40 mm (L x W x H)

Coupling Af159

Description: Description: Description: Description: Description: Description: Description: Description: Description: Description: THS474-23x5-K22 1.46 kg (1 grip)+114g(E12,5x2)+ 91g(E10x2)+136g(E15x2)--

THS474-23x5-K22
 

Testing of composite specimens

max. 5 mm thick and 30 mm wide

Incl. round inserts 10 mm, 12.5 mm and 15 mm thick

to accommodate samples of different thicknesses

Special steel, temperature range

-150°C … 0°C

Max. load 50 kN, coupling Af318

Description: Description: Description: Description: Description: Description: Description: Description: Description: Description: THS474-E10 - E12.5 -E15 91g (2xE10) 114g (E12.5) 136g (E15) 028-

THS474-E10 - E12.5 -E15

 

Incl. round inserts 10 mm, 12.5 mm and 15 mm thick

to accommodate samples of different thicknesses

THS474-33K41x12.7-Am317-bscd_9,3kg_01

THS474-33K41x12.7-Am317-bscd

 

Special chuck grip for dog-bone shaped specimens with closed rear side and holders for extensometer

 

more

THS474-30x35-Am35+ith7-bscd
 

Special version with a closed back side

with holders for extensometer

THS474-Af318-F50-T-180_similar_ISO1926_Chuck_grip

THS474-50x70-Af318-F50-T180

 

Special chuck grip similar to ISO1926

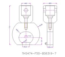
Description: tn_THS474-F50-BS6319-7 sand sample

THS474-F50-BS6319-7

Determination of tensile force of resin and polymer/cement compositions

for use in construction
according to BS6319-7

THS474-AxB-C-D-E

THS474-AxB-C-D-E

Special versions on request

info@grip.de

 

LX 15 Dec 2025

TOP