G01 压板G02 弯曲试验装置G03 剪切夹具G04 偏心滚轮夹具G05 钳式夹具G06 螺旋夹具G07 带状夹具G08 楔形夹具G09 卡盘及纽扣头夹具G10 螺纹头夹具G11 绳索夹具G12 气动夹具G13 液压夹具G14 剥离夹具G15 拉伸笼G17 适配器G21 温度试验箱G22 扭矩测试方案G23 穿刺试验装置G25 试样制备G26 引伸计
G17 适配器
Adapter / Adapters
各种适配器用于将夹具连接到不同型号的试验机上。包括公插销适配器、旋转适配器、万向节适配器和链条适配器等。
THS438 - A= male Pin thread with nut to counter B= female hole
A= male Pin thread with nut to counter B= female hole
A= 公端销钉螺纹带螺母用于对接 B= 母孔
查看详情 →
THS464 - Male adapter 2 counter nuts Male thread
Male adapter 2 counter nuts Male thread
公端适配器 2个对锁螺母 公螺纹
查看详情 →
THS892 - A= female Pin thread with nut to counter B= male thread
A= female Pin thread with nut to counter B= male thread
A= 母端销钉螺纹带螺母用于对接 B= 公螺纹
查看详情 →
THS637 - Adapter female with a hole to fix a cap screw
Adapter female with a hole to fix a cap screw
母端适配器带孔用于固定内六角螺钉
查看详情 →
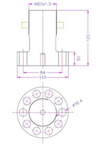
THS636-16-Km5-VA4 - Stainless steel adapter Af16 mm, M5 inner thread
Stainless steel adapter Af16 mm, M5 inner thread
不锈钢接头 Af16 mm,M5内螺纹。数据表
查看详情 →
THS531 - Adapter female – female
Adapter female – female
Adapter weiblich - weiblich
适配器 母端 – 母端
查看详情 →
THS572 - 可调角度适配器
Adapter with adjustable angle ±45°, +60, +90° versions
可调角度适配器 ±45°, +60, +90° 规格
查看详情 →
THS988 - Adapter male with pin hole male to fix in jaws
Adapter male with pin hole male to fix in jaws
公端适配器带销孔用于固定在夹具中
查看详情 →
THS521-158-159-Lxxx- - Pull rod adapters for temperature chambers
Pull rod adapters for temperature chambers
用于温度箱的拉杆接头
查看详情 →



























