Grip-Engineering

 

info@grip.de

 

 

Back

 

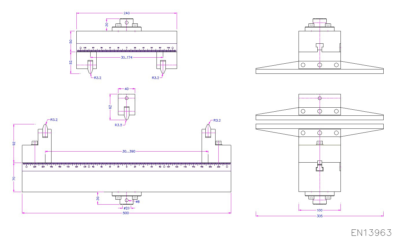
TH22-3P-4P-500-CWER3.2x305-Af20-EN13963-EN520_bending_test_gypsum_boards

TH22-3P/4P-500-CWER3.2x305-Af20

3-point and 4 point bending jigs for gypsum boards according to EN520, EN13963

Max. load 20 kN
Lower bar 500 mm long
Anvils with radius 3.2 mm, 305 wide
Aluminium, anodized
Coupling Af20

Vorrichtung zum Prüfen von Gipsplatten

info@grip.de

 

LX 23 May 2025

TOP