Grip-Engineering

info@grip.de



Back

 

tn_22-600+SF160-

TH22-600-AL

 

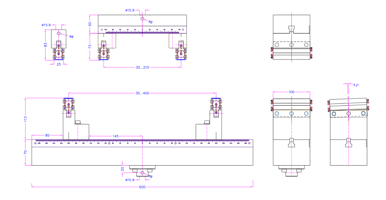
3-point bending fixture
Max. load 50 kN , aluminium                 
Incl. supports and rollers Ø 10, 20 and 30 mm


TH22-600-4P-WR15-Yam22 Izasa unterteil-

TH22-600-4P-WR15

 

4-point bending grip                                  Incl. carriers and insert with fixed radius 15 mm

TH22-3P-4P-700-WNJ30xR3-Af159-ASTM-D7249-ASTM-C393-ASTM-D7250_flexure_and_shear_properties_of_sandwich_constructions

TH22-3P/4P-700-WNJ30xR3-Af159

3-point and 4 point bend test fixture to determine flexure and shear properties of sandwich constructions
according to ASTM-C393, ASTM-D7249, ASTM-D7250
Max. load 20 kN
Coupling Af159

https://www.grip.de/G02/TH22/index-Dateien/image003.gif TH22-ASTM-C393-ASTM-D7249-ASTM-D7250 Datasheet.pdf

https://www.grip.de/G02/TH22/index-Dateien/image003.gifTH22-ASTM-ASTM-C393-D7249-ASTM-D7250 Datenblatt.pdf

 

info@grip.de

 

LX 25 Nov 2025

TOP