G01 DruckplattenG02 BiegevorrichtungenG03 AbschervorrichtungenG04 Exzentrische RollenspannzeugeG05 ScherenspannzeugeG06 SchraubspannköpfeG07 BänderspannzeugeG08 KeilspannzeugeG09 SchulterprobenspannzeugeG10 GewindeprobenspannzeugeG11 SeilspannzeugeG12 Pneumatische SpannzeugeG13 Hydraulische SpannzeugeG14 AbzugsvorrichtungenG15 ZugkäfigeG17 AdapterG21 TemperaturkammernG22 DrehmomentprüfungG23 DurchstoßvorrichtungenG25 StanzvorrichtungenG26 Extensometer
G17 Adapter
Adapters
Verschiedene Adapter zum Anschluss von Spannzeugen an verschiedene Prüfmaschinenmodelle. Einschließlich Bolzenadapter, Drehgelenk-Adapter, Kardangelenk-Adapter und Kettenadapter.
TH187 – Bolzenadapter
A= male Pin thread with nut to counter B= female hole
A= Außengewinde mit Mutter als Gegenstück B= Innenbohrung
Details anzeigen →
THS317 – Drehgelenk-Adapter mit Kugellagern
Rotation adapter with ball bearings
Rotationsadapter mit Kugellagern
Details anzeigen →
THS438 – A= male Pin thread with nut to counter B= female hole
A= male Pin thread with nut to counter B= female hole
A= Außengewinde mit Mutter als Gegenstück B= Innenbohrung
Details anzeigen →
THS464 – Male adapter 2 counter nuts Male thread
Male adapter 2 counter nuts Male thread
Außenadapter 2 Gegenmuttern Außengewinde
Details anzeigen →
THS220 – Male adapter Female thread
Male adapter Female thread
Außenadapter Innengewinde
Details anzeigen →
THS486 – Female pin hole Inner thread
Female pin hole Inner thread
Stiftloch Innengewinde
Details anzeigen →
THS892 – A= female Pin thread with nut to counter B= male thread
A= female Pin thread with nut to counter B= male thread
A= Innengewinde mit Mutter als Gegenstück B= Außengewinde
Details anzeigen →
THS637 – Adapter female with a hole to fix a cap screw
Adapter female with a hole to fix a cap screw
Innenadapter mit Bohrung zur Befestigung einer Innensechskantschraube
Details anzeigen →
THS636-16-Km5-VA4 – Edelstahladapter Af16 mm, M5 Innengewinde
Stainless steel adapter Af16 mm, M5 inner thread
Edelstahl-Adapter Af16 mm, M5 Innengewinde. Datenblatt
Details anzeigen →
THS531 – Adapter weiblich - weiblich
Adapter female – female
Adapter Innen – Innen
Details anzeigen →
THS572 – Adapter mit einstellbarem Winkel
Adapter with adjustable angle ±45°, +60, +90° versions
Adapter mit einstellbarem Winkel ±45°, +60, +90° Ausführungen
Details anzeigen →
THS658 – Adapter male thread Female thread
Adapter male thread Female thread
Adapter Außengewinde Innengewinde
Details anzeigen →
THS814 – Adapter male thread – male thread
Adapter male thread – male thread
Adapter Außengewinde – Außengewinde
Details anzeigen →
THS892 – Female Adapter – male thread
Female Adapter – male thread
Innenadapter – Außengewinde
Details anzeigen →
THS950-M33x2-M30x2 – Adapter with 2 female threads
Adapter with 2 female threads
Adapter mit 2 Innengewinden
Details anzeigen →
THS988 – Adapter male with pin hole male to fix in jaws
Adapter male with pin hole male to fix in jaws
Außenadapter mit Stiftbohrung zur Befestigung in Backen
Details anzeigen →
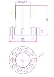
THS978-M60x1.5-12x16.4TK84 – Male thread flange
Male thread flange
Außengewindeflansch
Details anzeigen →
THS521-158-159-Lxxx- – Pull rod adapters for temperature chambers
Pull rod adapters for temperature chambers
Zugstangen-Adapter für Temperaturkammern
Details anzeigen →
THS327 – Kardangelenk-Adapter
Cardan joint adapter A=Male adapter B=Female adapter
Kardangelenk-Adapter A=Außenadapter B=Innenadapter
Details anzeigen →



























