G01 Compression PlatensG02 Bending FixturesG03 Shear GripsG04 Eccentric Roller GripsG05 Pincer GripsG06 Vice GripsG07 Ribbon GripsG08 Wedge GripsG09 Chuck & Button Head GripsG10 Thread Head GripsG11 Rope GripsG12 Pneumatic GripsG13 Hydraulic GripsG14 Peel GripsG15 Compression CagesG17 AdaptersG21 Temperature ChambersG22 Torque SolutionsG23 Puncture FixturesG25 Sample PreparationG26 Extensometer
G17 Adapters
Adapter
Various adapters for connecting grips to different testing machine models. Includes male pin adapters, rotation adapters, cardan joint adapters and chain adapters.
TH187 – A= male Pin thread with nut to counter B= female hole
A= male Pin thread with nut to counter B= female hole
View details →
THS438 – A= male Pin thread with nut to counter B= female hole
A= male Pin thread with nut to counter B= female hole
View details →
THS464 – Male adapter 2 counter nuts Male thread
Male adapter 2 counter nuts Male thread
View details →
THS892 – A= female Pin thread with nut to counter B= male thread
A= female Pin thread with nut to counter B= male thread
View details →
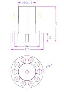
THS637 – Adapter female with a hole to fix a cap screw
Adapter female with a hole to fix a cap screw
View details →
THS636-16-Km5-VA4 – Stainless steel adapter Af16 mm, M5 inner thread
Stainless steel adapter Af16 mm, M5 inner thread. Datasheet
View details →
THS572 – Adapter with adjustable angle ±45°, +60, +90° versions
Adapter with adjustable angle ±45°, +60, +90° versions
View details →
THS988 – Adapter male with pin hole male to fix in jaws
Adapter male with pin hole male to fix in jaws
View details →
THS521-158-159-Lxxx- – Pull rod adapters for temperature chambers
Pull rod adapters for temperature chambers
View details →
THS327 – Cardan joint adapter A=Male adapter B=Female adapter
Cardan joint adapter A=Male adapter B=Female adapter
View details →



























